| لطفا فقط از طریق واتس آپ درخواست خود را ارسال نمایید | 09122209939 -09022209939 | ![]() |
ameli@ameli-co.com | ![]() |


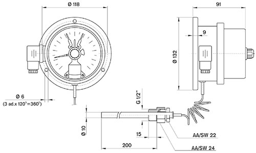
قطر صفحه 10 سانتیمتر – رنج کاری از منفی 30 تا مثبت 300 درجه سانتیگراد – بدنه استیل – اتصال ½” – دو کنتاکنت – طول سنسور 2 متر
ترمومتر ترموستات دنباله دار PAKKENS TK100DS5
ترمومتر ترموستات PAKKENS پکنز نمونه ای از کالای مرغوب موجود در ایران برای این منظور می باشد که در کشور ترکیه تولید می شود. کار ترمومتر ترموستات این است که علاوه بر نشان دادن دما، به شما قابلیت دریافت دو کنتاکت یا سوئیچ را نیز می دهد و می توانید در دمای مورد نظر یک سوئیچ از دستگاه دریافت کنید. این سوئیچ ها می تواند به صورت نرمالی اوپن یا نرمالی کلوز باشد.
مشخصات فنی ترمومتر ترموستات PAKKENS TK100DS5پکنز



- محل خروج سنسور از بدنه : زیر
- رنج های کاری
|
-30+60 |
0-120 |
0-160 |
0-300 |
- متریال بدنه : استیل 304
- متریال فلنج : استیل 304
- متریال پنجره : پلی کربنات
- کانکشن : ½”B
- متریال صفحۀ مندرج : آلومینیوم
- متریال عقربه : پلاستیک
- سوئیچ ها : 1NO | 1NC | 2NONO | 2NONC | 2NCNC | 2NCNO | Indcutive
- طول سنسور : 2 متر
- طول حباب سنسور : 10 میلیمتر
- نوع سنسور : گازی
- IP55
- EN13190
کلیه حقوق این وب سایت برای شرکت عاملی و مبرمی محفوظ میباشد.